شرح عملکرد
یکسو کننده سوئیچینگ دستگاه های الکترونیکی هستند که برای تبدیل توان جریان متناوب (AC) به جریان مستقیم (DC) استفاده می شوند. آنها معمولاً در کاربردهای مختلفی استفاده می شوند، از منابع تغذیه صنعتی و سیستم های کنترل موتور گرفته تا لوازم الکترونیکی مصرفی و لوازم خانگی. یکسو کننده های سوئیچینگ کارآمدتر از یکسو کننده های سنتی هستند و امکان تبدیل برق AC به برق DC با حداقل تلفات برق را فراهم می کنند.
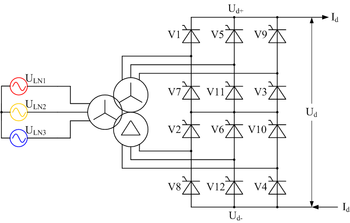
این یکسو کننده های بر اساس یک دستگاه نیمه هادی معروف به تریستور هستند. تریستور یک دستگاه سه پایانی است که از دو اتصال p-n تشکیل شده است. هنگامی که یک ولتاژ به ترمینال گیت اعمال می شود، تریستور روشن می شود و اجازه می دهد جریان از آند به کاتد جریان یابد. این عمل سوئیچینگ چیزی است که یکسو کننده های سوئیچینگ را بسیار کارآمد می کند.
کاربردها
یکسو کننده های سوئیچینگ در کاربردهای مختلفی استفاده می شوند، از منابع تغذیه صنعتی و سیستم های کنترل موتور گرفته تا لوازم الکترونیکی مصرفی و لوازم خانگی. در کاربردهای صنعتی از این یکسو کننده ها برای تامین برق موتورها، پمپ ها و سایر تجهیزات استفاده می شود. در لوازم الکترونیکی مصرفی، این یکسو کننده ها برای تبدیل برق AC به برق DC استفاده می شود که امکان استفاده از قطعات DC ولتاژ پایین را در طراحی دستگاه های الکترونیکی فراهم می کند. در لوازم خانگی، یکسو کننده های سوئیچینگ اغلب برای تامین برق فن ها و سایر قطعات استفاده می شود.
مزایا
یکسو کننده های سوئیچینگ مزایای متعددی نسبت به یکسو کننده های سنتی دارند. آنها کارآمدتر هستند و امکان تبدیل برق AC به برق DC را با حداقل تلفات برق فراهم می کنند. آنها همچنین قابل اعتمادتر هستند، زیرا احتمال خرابی آنها به دلیل اضافه بار یا شرایط اتصال کوتاه کمتر است. در نهایت، این یکسو کننده ها فشرده تر هستند و امکان استفاده از آنها را در دستگاه های کوچکتر فراهم می کنند.
با وجود مزایایی که دارند، یکسو کننده های سوئیچینگ دارای معایبی هستند. آنها گرانتر از یکسو کننده های سنتی هستند و به مدارهای پیچیده تری نیاز دارند. آنها همچنین به فضای بیشتری در دستگاه نیاز دارند، زیرا بزرگتر از یکسو کننده های سنتی هستند. در نهایت، این یکسو کننده ها تنها می توانند مقدار محدودی توان را تحمل کنند، که آنها را برای برنامه هایی که به سطوح توان بالا نیاز دارند، نامناسب می کند.
به طور کلی، یکسو کننده های سوئیچینگ یک روش قابل اعتماد و کارآمد برای تبدیل برق AC به برق DC هستند. آنها معمولاً در کاربردهای مختلفی استفاده می شوند، از منابع تغذیه صنعتی و سیستم های کنترل موتور گرفته تا لوازم الکترونیکی مصرفی و لوازم خانگی. با وجود اشکالاتی که دارند، این یکسو کننده ها مزایای متعددی نسبت به یکسو کننده های سنتی دارند که آنها را به انتخابی محبوب برای بسیاری از کاربردها تبدیل می کند.

